星空体育体育官方网站

全国统一服务热线:   400-0099-050

 15295499973

变频器面板(六线端被动型)维修简要分析

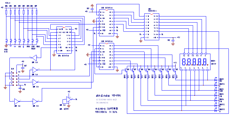
       目前国内很多变频器的面板都是采用的“六线端被动型”,在这里以台达变频器VDF-B机型为代表,简述其原理。

       对“被动型”的说明:

1、面板电路不含MCU或PIC器件,故不会主动示警,如与主板MCU通讯中断时,不会报出CPU故障、通讯中断等故障代码,而仅以88888、-----或无显示警示相关故障的存在。

2、根据主板MCU来的显示数据被动干活,依赖硬件电路进行数据转换(显示内容)。

对“六线端”的说明:

1、+5V、GND电源线两根;

2、信号线四根。

(1)BU5的1\2\3\4脚内部两组反相器所传输的,是来自主板MCU的串行脉冲数据之一,直言之:显示数据;

(2)BU5的9\8脚内部两组反相器所传输的,是来自主板MCU的串行脉冲数据之二,直言之:显示时钟;

二者处理显示信息。

(3)BU5的11\10脚内部两组反相器所传输的,是来自主板MCU的串行脉冲数据之三,直言之:键扫脉冲;

(4)BU5的1\2\3\4脚内部两组反相器所传输的,是送往主板MCU的串行脉冲数据,直言之:按键信息。

二者处理按键信息。

看看四路脉冲长啥样:

       其实,我们所做的,是只管这四路信号的有无,而不管具体内容(也是无法管的)。如键扫脉冲、显示时钟、显示数据,3路信号只要有了一路,说明MCU已经正常工作,这3路信号是主板MCU正常工作的重要标志之一。通常,对于MCU是否已经正常工作,感到不易把握,而此三路信号,恰恰可以非常明确地给出答案。

       信号的有无,在+5V供电系统框架下,如用直流电压挡测量,则非5V、非0V为信号状态,否则为异常状态;如“按键信息”信号,当此脉冲信号的占空比极大或极小时,所测电压值接近5V或0V,即较难得出明确的判断。测量串行脉冲信号时,因而建议采用示波器进行“一步到位”的测量判断,合格信号不管其频率和占空比如何变化,首先必须是矩形波,最高电压幅度应接近5V,最低幅度应接近0V。对于非矩形波的杂波信号,可视之为无效信号(无信号)。

       采用5位数码显示器,BU2提供位驱动信号;BQ1~BQ8,提供段驱动信号。位、段驱动信号BU3、BU1(在此称之为数据转换器),进1出8,为串入并出式数据转换电路,为显示器数据解码所专用。

       按键信号处理由BU4(在此称之为数据转换器)来完成,进8出1,为并入串出式数据转换器。

       此外,尚有BU5反相器电路,传输来自主板MCU的显示数据和去往MCU主板的按键信息。


       故障检修:

(1)显示少位,查BU2反相器和BU3的个别输出端状态;

(2)显示少段(笔划),查BQ1~BQ8工作状态,和BU1个别输出端;

(3)按键操控失常,查“键扫脉冲”存在否?在,分别按下8个按键,“按键信息”俱无,BU4坏。

(4)显示与操控均失常,查上述三个标志性串行脉冲的存在。俱无:主板MCU不具备工作条件;有一路,主板MCU已经工作,查脉冲传输电路。


       对于HC165、HC595等数据处理器件,建议检修者不必在其工作原理(尤其是内部结构框架上)上大费周折,一是搞清楚有难度,二是暂时搞清楚了日后也会忘个差不多(打交道不多这是必然的结果)。重点是搞明白该器件在电路中所起到的作用,以及其正常传输信号所需要的条件。由此判断其正常与否,就变得明晰而简单。

       如键控失常:

(1)查键扫脉冲有,按键是好的,即HC165损坏;

(2)查键扫脉冲无,查该信号传输电路。

如显示异常:

(1)显示时钟和显示数据两路串行数据信号的有无是前提条件。少一个,即无法正常显示。

(2)显示(全体异常),查HC595器件;

(4)显示(部分异常),如少位、少段等,查相关位、段驱动电路。